Профессиональный строительный инструмент и оборудование
Каталог инструментов
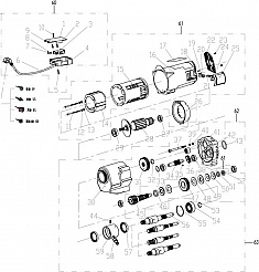
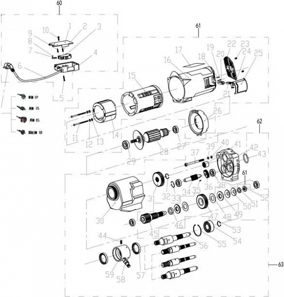
Установка алмазного бурения Saturn OB-205
Установка алмазного бурения Saturn OB-205 (Сатурн ОБ-205) предназначена для сверления круглых отверстий Ø 20 – 205 мм в бетонных, железобетонных, базальтовых, асфальтовых и других поверхностях под трубы вентиляции, теплоснабжения, водоснабжения и подобных коммуникаций.
Производитель: SATURN (САТУРН) – Россия.
Преимущества установки алмазного бурения Saturn OB-205:
- Корпус двигателя из алюминия хорошо отводит тепло во время работы
- Встроенная механическая и электронная защита от перегрузок
- Надежная алюминиевая стойка
- Небольшой вес
- Рукоятка для переноса
- Поставляется в картонной коробке
Цена и технические характеристики установки алмазного бурения Saturn OB-205:
Оборудование для алмазного бурения
- Установка алмазного бурения
- Установка алмазного бурения с микроударом
- Дрель алмазного сверления
- Дрель с микроударом для алмазного бурения
- Керноотборник для асфальтобетона
- Двигатель алмазного бурения
- Двигатель алмазного бурения с микроударом
- Станина для алмазного бурения
- Станина для алмазного бурения с микроударом
- Алмазные коронки
- Доп. оборудование к технике алмазного бурения
-
Ручной желобонакатчик для грувлок Remmers Groover M 1-12Диаметр труб: 1" - 12"Толщина стенки труб: ≤ 8 ммЦена: по запросу
-
Алмазные коронки по железобетону Kern Diamond Bit Concrete Premium 152 ммДиаметр: 152 ммРабочая длина: 450 ммЦена: 17 400 руб.
-
Алмазная коронка для сухого бурения с микроударом Адель Diamond Hit DH-D400 52 ммДиаметр: 52 ммРабочая длина: 450 ммЦена: 4 700 руб.
-
Алмазная коронка для сухого бурения с микроударом Адель Diamond Hit DH-D400 82 ммДиаметр: 82 ммРабочая длина: 450 ммЦена: 7 200 руб.
-
Алмазная коронка для сухого бурения с микроударом Адель Diamond Hit DH-D401 172 ммДиаметр: 172 ммРабочая длина: 450 ммЦена: 15 600 руб.
-
Коронка алмазная по бетону для подрозетников под микроудар Keos Pulsar M16 72/70 ммДиаметр: 72 ммРабочая длина: 60 ммЦена: 3 490 руб.
-
Алмазные коронки по железобетону Kern Diamond Bit Concrete Premium 162 ммДиаметр: 162 ммРабочая длина: 450 ммЦена: 18 500 руб.
-
Алмазная коронка для сухого бурения с микроударом Адель Diamond Hit DH-D401 300 ммДиаметр: 300 ммРабочая длина: 450 ммЦена: 27 900 руб.
Новости
-
26.11.2025Новые поступления для серьёзной работы: спираль и адаптер от Crocodile
-
21.11.2024Поступление желобонакатчиков GruvMaster - Новинка на Российском рынке!
-
27.12.2023С новым 2024 годом!
-
20.12.2022Режим работы в Новогодние праздники
-
12.10.2022ФСБ сообщила о попытке теракта с ПЗРК «Игла» в Подмосковье











Отзывы
Оставьте Ваш отзыв