Профессиональный строительный инструмент и оборудование
Каталог инструментов
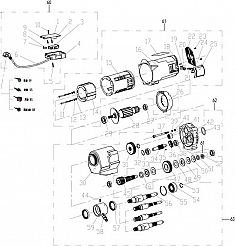
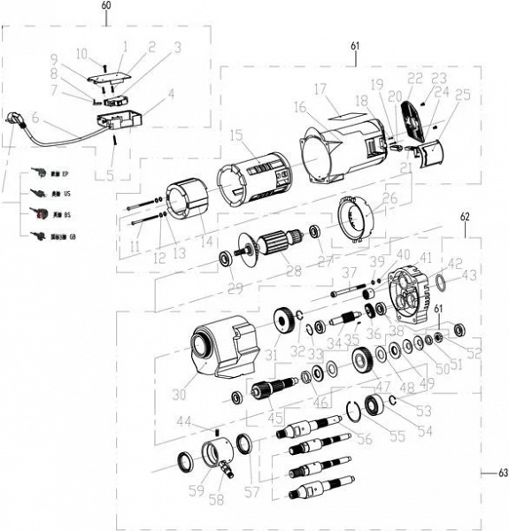
Установка для алмазного бурения Saturn OB-205B
Установка для алмазного бурения Saturn OB-205B (Сатурн ОБ-205Б) предназначена для сверления круглых отверстий Ø 20 – 205 мм в бетонных, железобетонных, базальтовых, асфальтовых и других поверхностях под трубы вентиляции, теплоснабжения, водоснабжения и подобных коммуникаций, под углом 90° – 45°, с подачей воды.
Производитель: SATURN (САТУРН) – Россия.
Преимущества установки для алмазного бурения Saturn OB-205B:
- Корпус двигателя из алюминия хорошо отводит тепло во время работы
- Встроенная механическая и электронная защита от перегрузок
- Надежная стальная стойка
- Наклонная станина
- Небольшой вес
- Рукоятка для переноса
- Поставляется в картонной коробке
Цена и технические характеристики установки для алмазного бурения Saturn OB-205B:
Оборудование для алмазного бурения
- Установка алмазного бурения
- Установка алмазного бурения с микроударом
- Дрель алмазного сверления
- Дрель с микроударом для алмазного бурения
- Керноотборник для асфальтобетона
- Двигатель алмазного бурения
- Двигатель алмазного бурения с микроударом
- Станина для алмазного бурения
- Станина для алмазного бурения с микроударом
- Алмазные коронки
- Доп. оборудование к технике алмазного бурения
-
Алмазные коронки по железобетону Kern Diamond Bit Concrete Premium 46 ммДиаметр: 46 ммРабочая длина: 450 ммЦена: 6 000 руб.
-
Алмазные коронки по железобетону Kern Diamond Bit Concrete Premium 126 ммДиаметр: 126 ммРабочая длина: 450 ммЦена: 13 400 руб.
-
Алмазная коронка для сухого бурения с микроударом Адель Diamond Hit DH-D401 225 ммДиаметр: 225 ммРабочая длина: 450 ммЦена: 22 700 руб.
-
Алмазная коронка для сухого бурения с микроударом Адель Diamond Hit DH-D400 30 ммДиаметр: 30 ммРабочая длина: 450 ммЦена: 3 900 руб.
-
Алмазные коронки по железобетону Kern Diamond Bit Concrete Premium 42 ммДиаметр: 42 ммРабочая длина: 450 ммЦена: 6 000 руб.
-
Коронка алмазная по бетону для подрозетников под микроудар Keos Pulsar M16 68/70 ммДиаметр: 68 ммРабочая длина: 60 ммЦена: 3 290 руб.
-
Алмазные коронки по железобетону Kern Diamond Bit Concrete Premium 56 ммДиаметр: 56 ммРабочая длина: 450 ммЦена: 7 000 руб.
-
Грувлочный станок для труб Remmers Mustang 2-8Диаметр труб: 2" - 8" (50,8 - 203,2 мм)Мощность: 0,9 кВтЦена: 189 000 руб.
Новости
-
26.11.2025Новые поступления для серьёзной работы: спираль и адаптер от Crocodile
-
21.11.2024Поступление желобонакатчиков GruvMaster - Новинка на Российском рынке!
-
27.12.2023С новым 2024 годом!
-
20.12.2022Режим работы в Новогодние праздники
-
12.10.2022ФСБ сообщила о попытке теракта с ПЗРК «Игла» в Подмосковье





Отзывы
Оставьте Ваш отзыв